迷你气缸
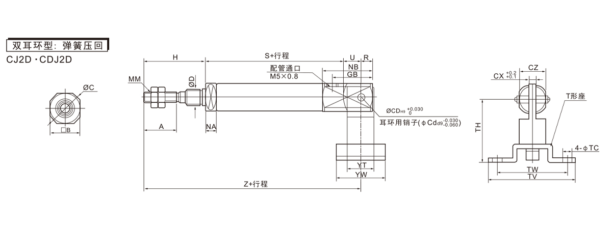
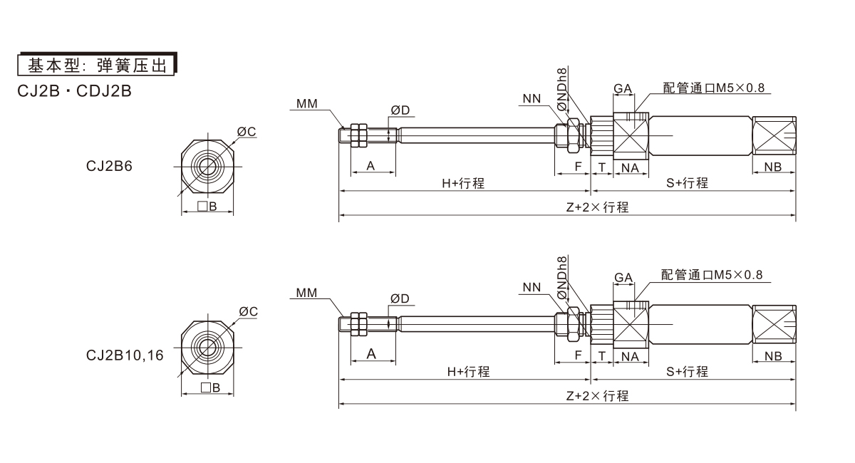
CJ2系列不锈钢迷你气缸(单作用)
CJ2系列代表一类采用特定合金材质制造的紧凑型线性执行元件,其单作用设计依托内置弹性复位机构实现基础往复运动。该系列专为空间受限且需特定介质耐受性的工业场合开发,具备微型化集成特性。
■核心运行特性
1.弹性压回模式
介质导入时驱动杆体位移伸出,同时预置压缩单元蓄能;介质切断后,依靠压缩单元释放的复原力使杆体自动回缩至初始位。
2.弹性压出模式
介质导入时杆体收缩位移,牵引后端压缩单元储能;介质供应终止时,压缩单元复原力推动杆体向外延伸复位。
■本体特征
1.微型化构型
缸体经特殊比例优化,在维持基础推力的同时显著降低轴向与径向空间占用,适用于精密设备内嵌安装。
2.特定合金本体
主体构件采用耐蚀合金体系,在含湿气、弱腐蚀介质等非极端环境中可维持基础运动性能。
3.基础功能导向
设计聚焦位移输出的核心功能,未集成位置传感或调速等扩展模块,适用于简单往复动作场景。
■应用指向
该系列适用于对空间尺寸敏感、需基础抗环境劣化能力,且运动逻辑符合弹性复位模式的轻型自动化系列。其价值核心在于微型化与特定材质在基础气动构件中的耦合实现。







