气动抓爪
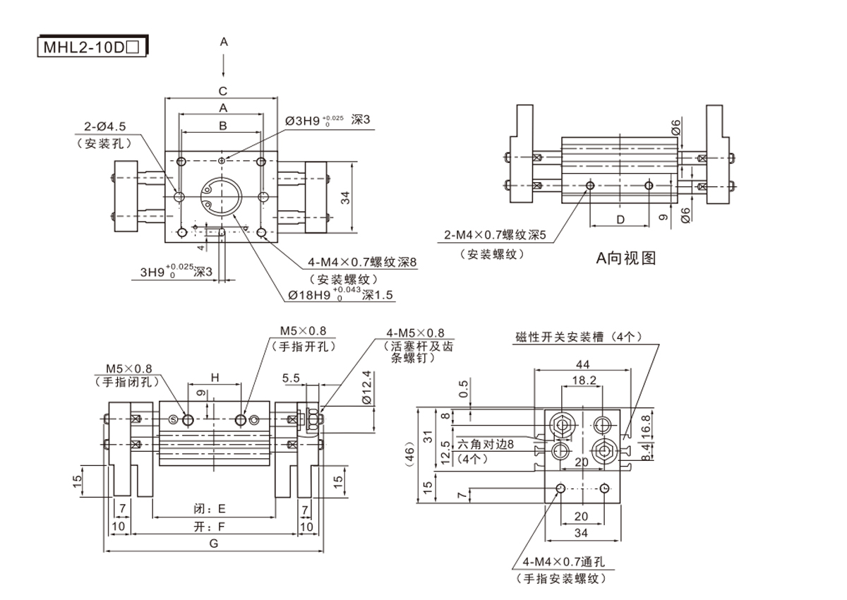
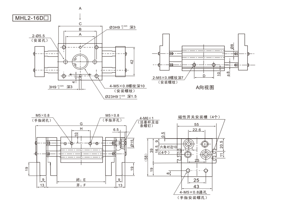
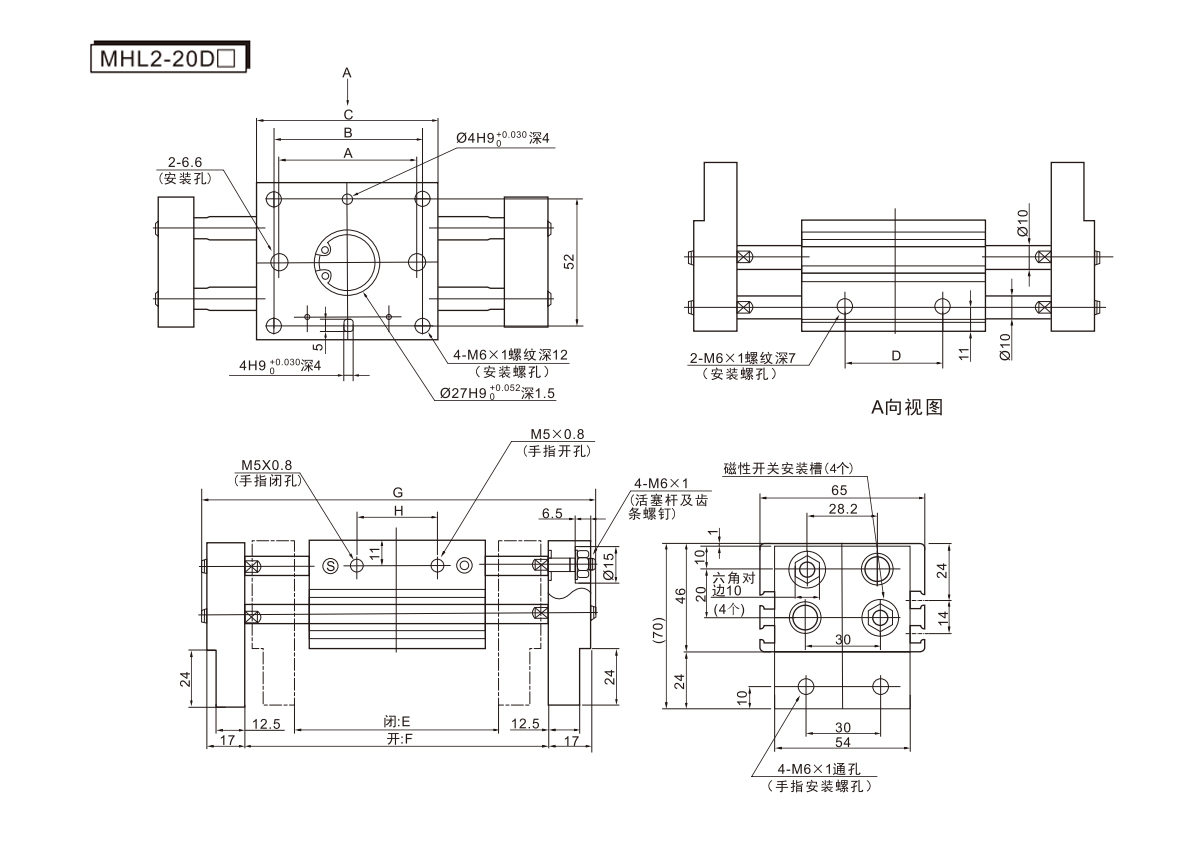
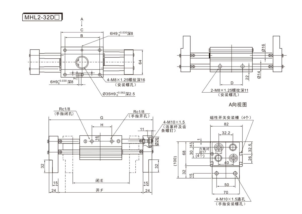
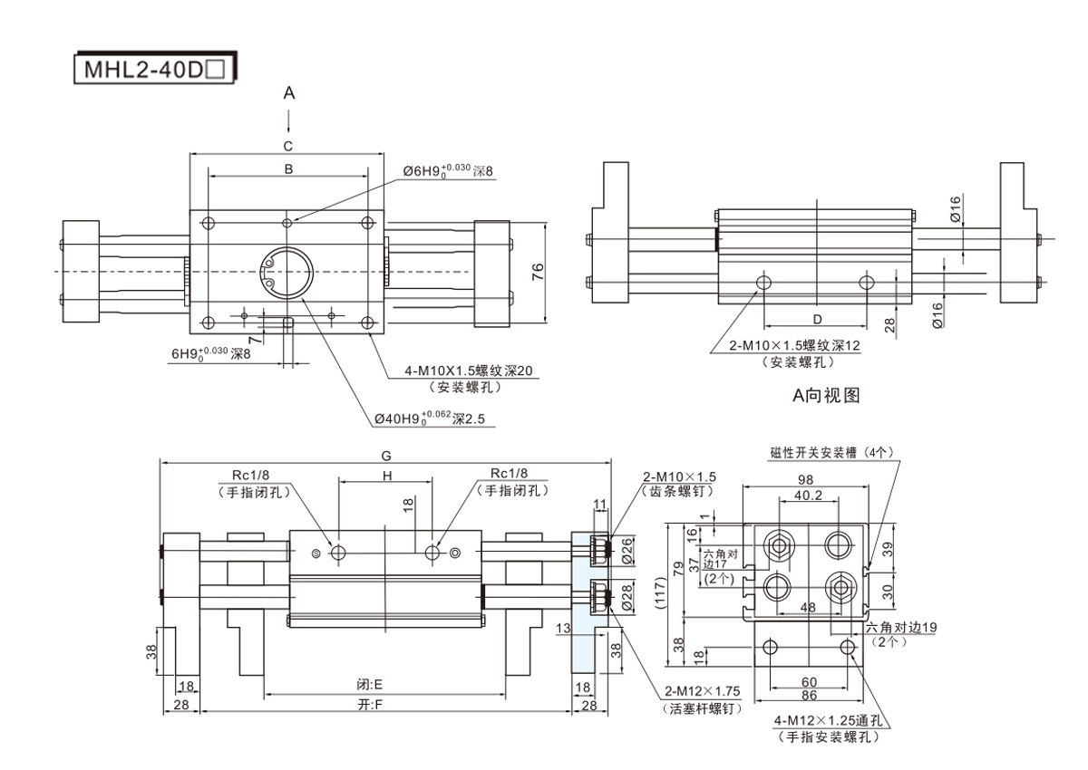
MHL2系列(平行开闭型)宽型气爪
·手指行程长,适合夹持体积大的物件
·双活塞设计,能增大保持力
·采用齿轮齿条操作,令手指能同步开闭
·防尘设计,因采用特别密封件
E-mail: manager@cktworld.com
下载










