气动抓爪
MHY2系列(支点开闭型)/凸轮式180°开闭型气爪
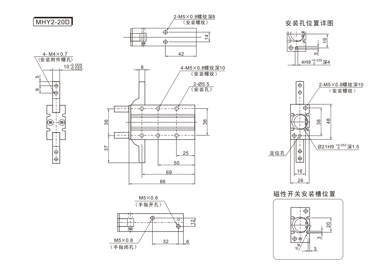
*内置磁环型,可安装磁性开关。
*180°开闭式,简化拾放动作。
*可适合特殊环境下使用,手指开闭部分特别设计,可防止微小物件进入。
*安装方便,附有定位孔。
E-mail: manager@cktworld.com
下载








