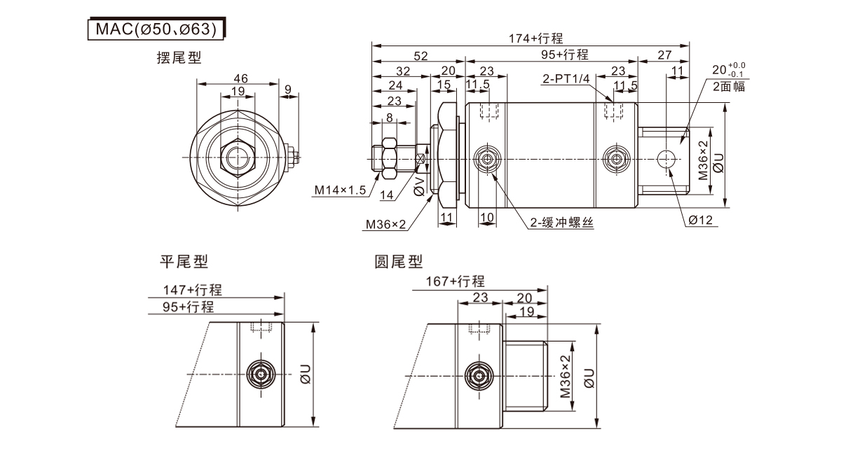
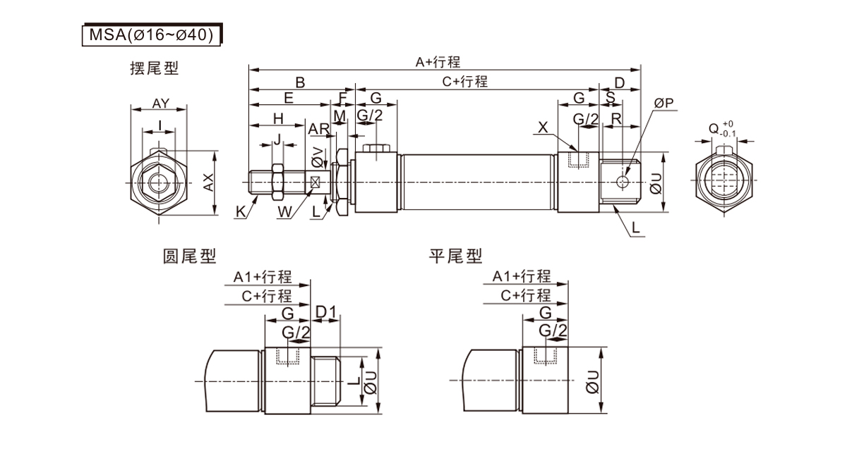
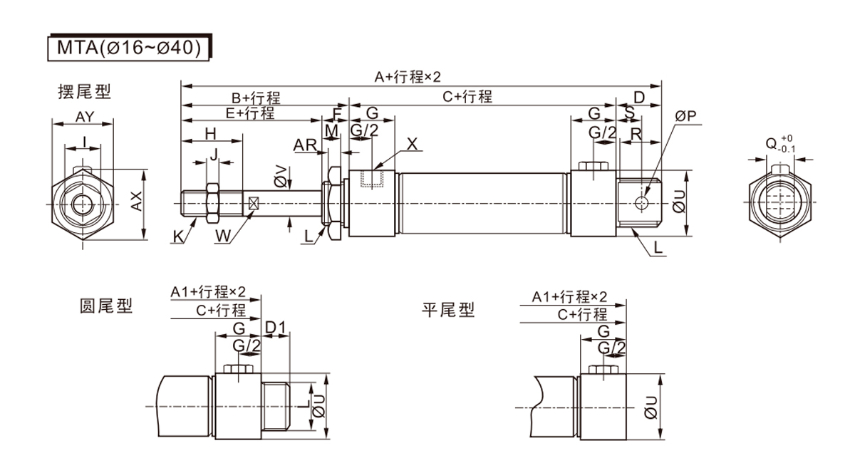
迷你气缸
MA系列不锈钢迷你气缸
1. 活塞密封采用异型双向密封结构,尺寸紧凑,有储油功能;
2. 前后盖带固定式防撞垫,可减少气缸的换向冲击;
3. 多种后盖形式,使气缸安装更方便;
4. 前后盖与不锈钢缸体采用铆合滚包结构,连接可靠;
5. 缸体采用高精度不锈钢管,强度高,抗腐蚀;
6. 多种规格的气缸及气缸安装附件可供客户选择使用;
7. 此series气缸全部附磁
E-mail: manager@cktworld.com
下载








