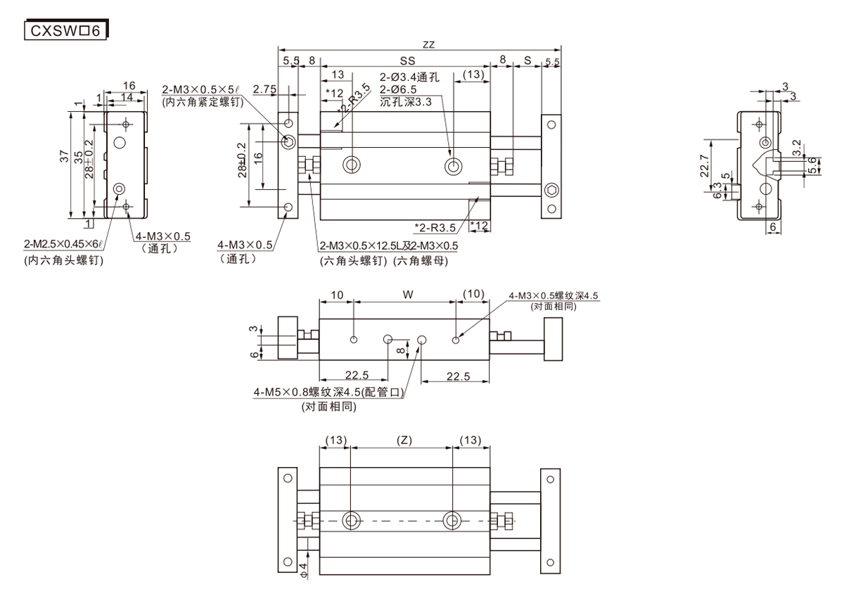
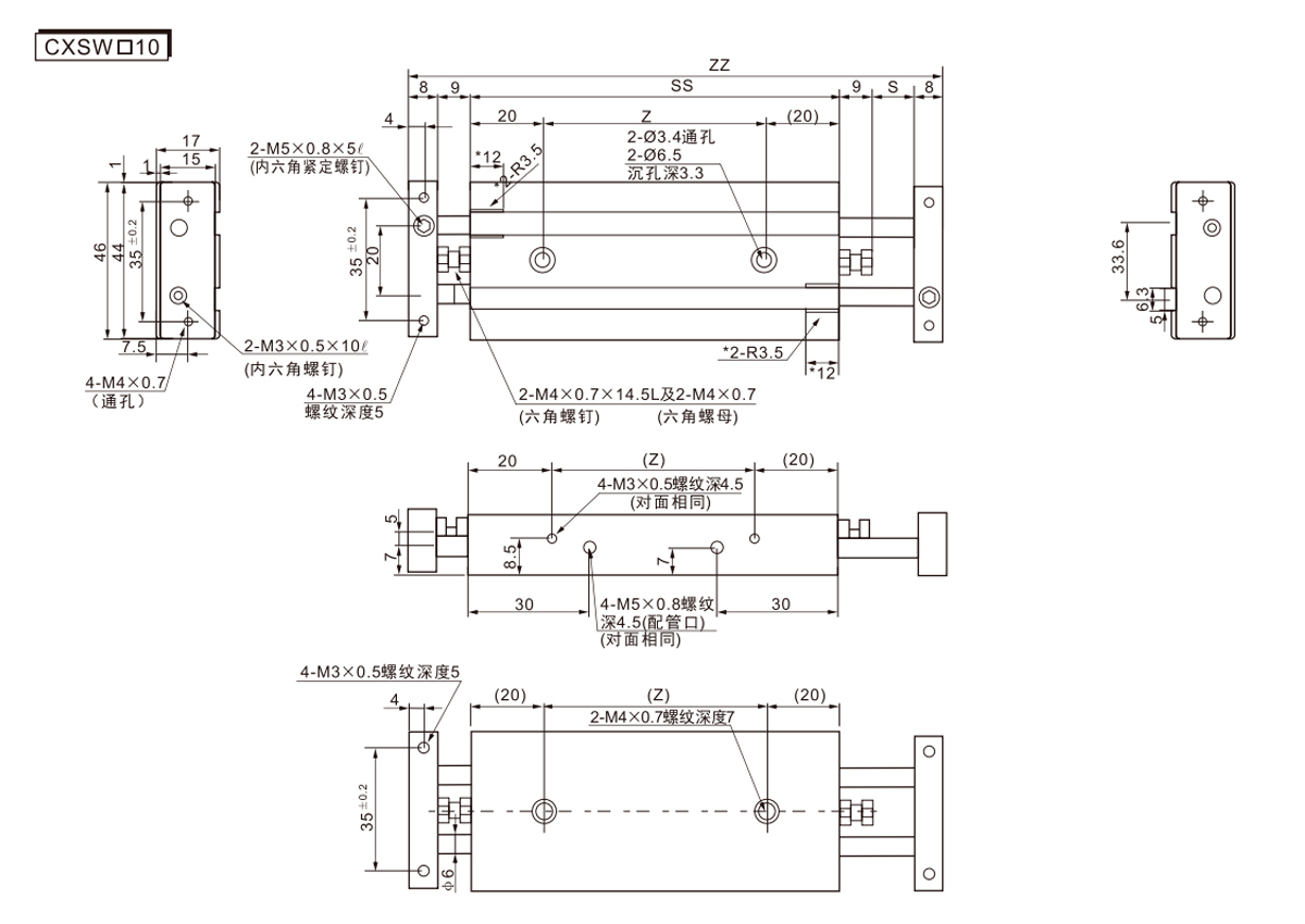
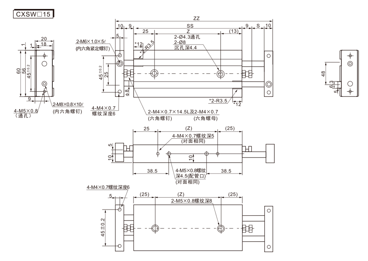
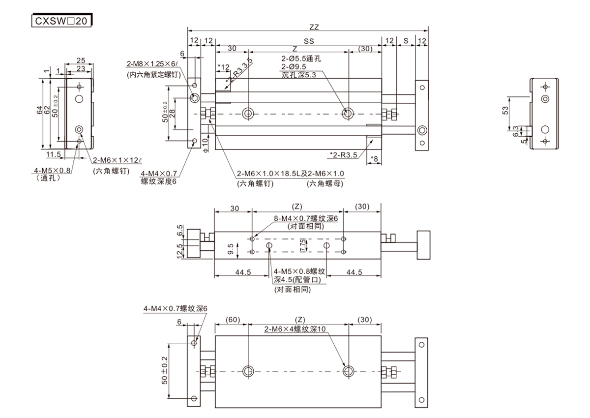
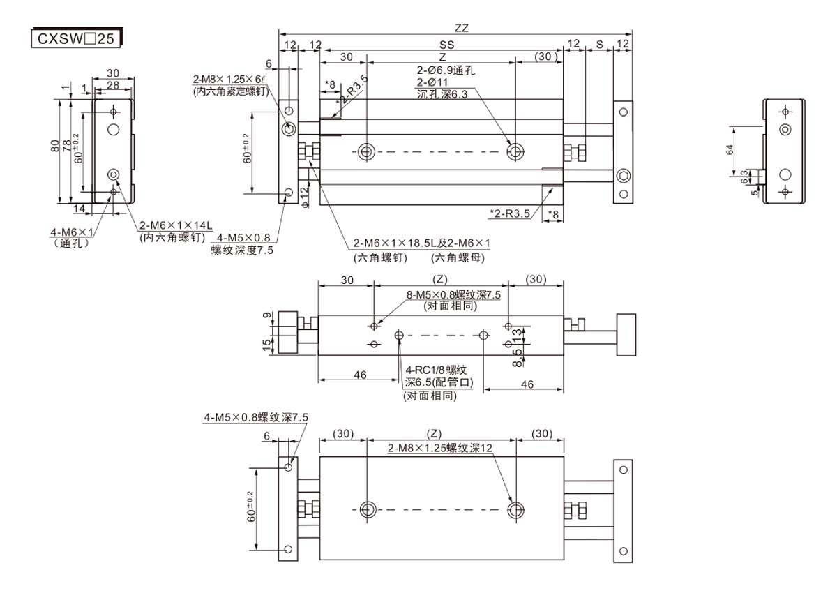
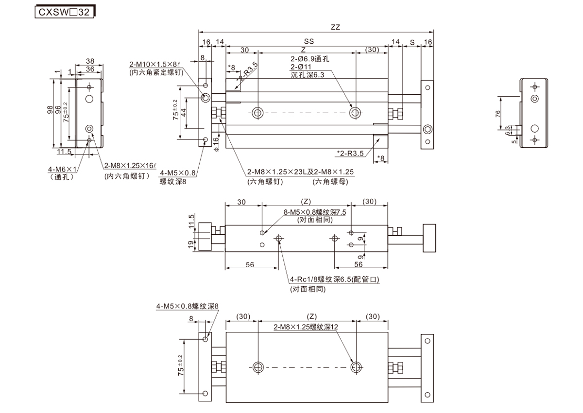
多轴气缸
CXSW系列通杆型双缸
1. 最大容许负载比CXS系列大2-3倍
2. 双气缸设计,2倍输出力
3. 不回转精度高
4. 侧面负载抵抗力强
5. 标准带行程调整装置:0-10mm
E-mail: manager@cktworld.com
下载









