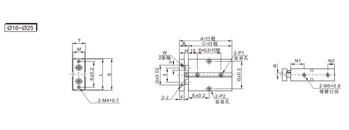
多轴气缸
TDA/TN系列双缸(Ø10~Ø32)
1. 埋入式本体安装固定形式,节省安装空间;
2. 具有一定的抗弯曲及抗扭转性能,能承受一定的侧向负载;
3. 固定板三面均有安装孔,便于多位置加载;
4. 本体前端防撞垫可调整气缸行程,并缓解冲击;
5. 本系列气缸标准配置为附磁型,无不附磁可选。
E-mail: manager@cktworld.com
下载






