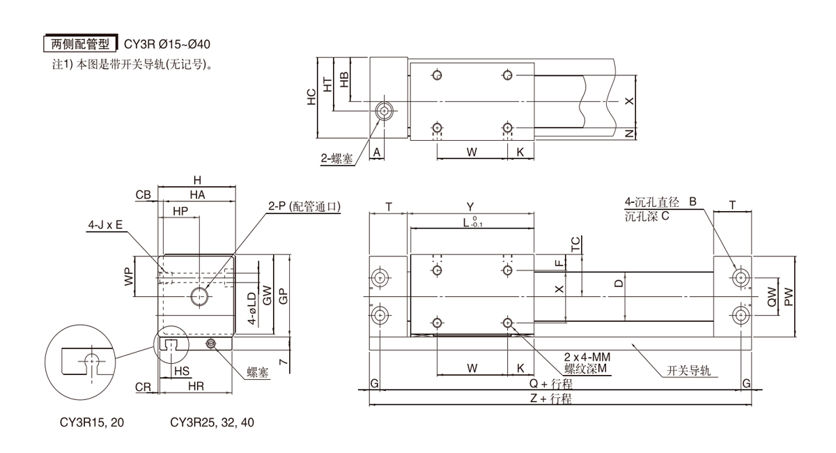
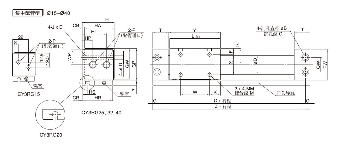
无杆气缸
CY3B/CY3R系列磁耦合式无杆气缸基本型/直接安装型
主体、头侧端盖形状变更以及磁力连接的形式使得质量减小。配有活塞部的给油保持护圈,可不断形成给油膜,提高给油性。
E-mail: manager@cktworld.com
下载






