无杆气缸
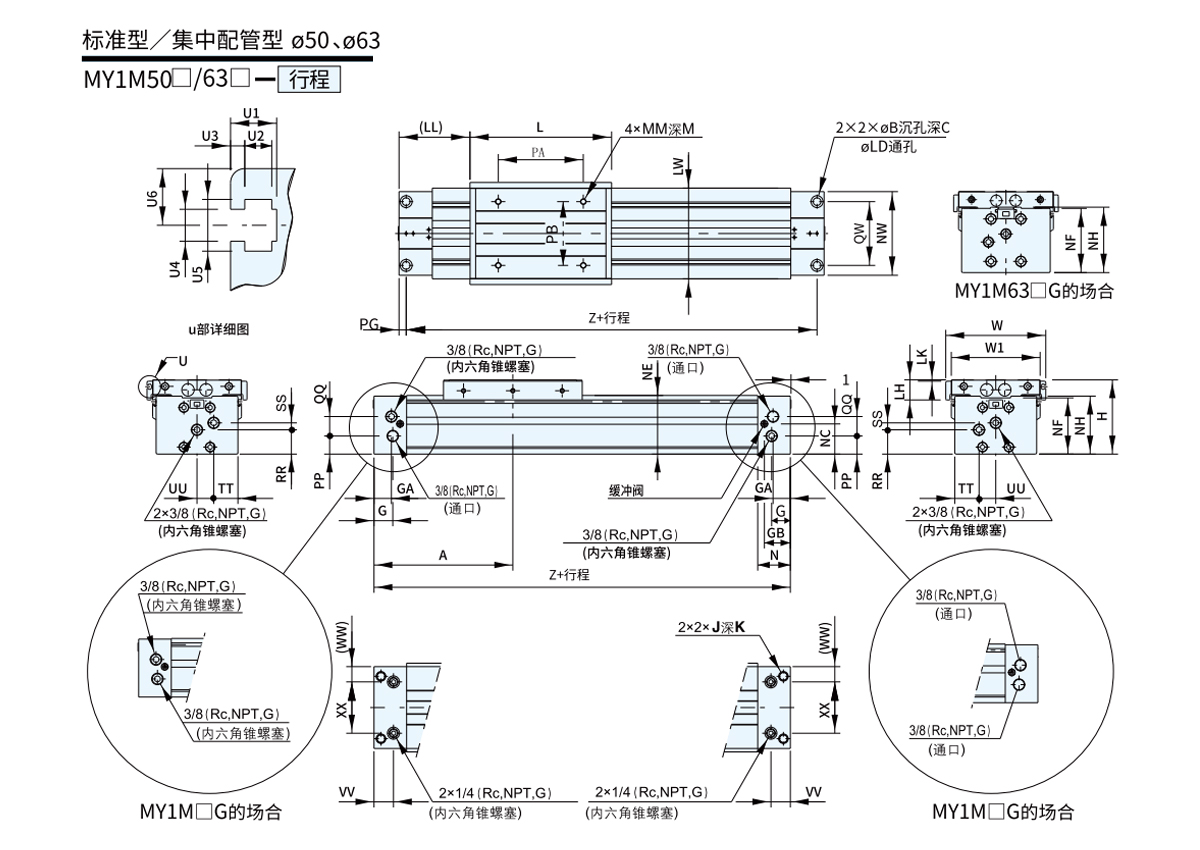
MY1M系列机械接合式无杆气缸滑动轴承导轨型
MY1M系列采用机械接合式无杆气缸与滑动轴承导轨一体化结构,通过直接集成负载传导路径与导向机构,简化了直线运动系列的机械配置。其紧凑型设计特别适用于需直接在动子上搭载工件的简易线性驱动场景,同时具备应对大范围搬运任务的结构适应性。
核心特性概述
■ 导轨集成化设计
气缸主体与滑动轴承导轨构成物理融合单元,消除了传统气缸与独立导轨的组装环节。这种结构融合显著降低了系列复杂性,使设备布局更紧凑,尤其适合空间受限的自动化单元。
■ 低摩擦导向特性
滑动轴承导轨提供稳定的低阻力线性引导,通过优化的摩擦副设计平衡承载能力与运行平顺性。该导向形式在常规工况下可有效抑制震动漂移,确保负载移动轨迹的几何一致性。
■ 工件直接搭载能力
动子台面经特殊强化处理,允许用户直接紧固中小型工件或治具。此举省去次级安装板等过渡部件,缩短了力传递链,提升了系列刚性及定位响应速度。
■ 大行程适应性
机械接合式传动突破活塞杆物理限制,在维持气缸本体尺寸的前提下,具备实现较长线性行程的拓展能力。导轨全程支承的结构特性,保障了负载在较大行程范围内的运动稳定性。
■ 搬运场景优化
导轨一体化带来的高刚性及负载适应性,使其在物料移载、部件转运等连续搬运场景中表现突出。系列可配置于水平或垂直方向运作,满足跨工位、跨模块的物料传递需求。













