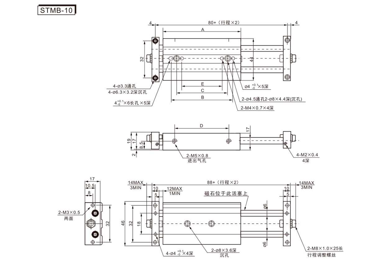
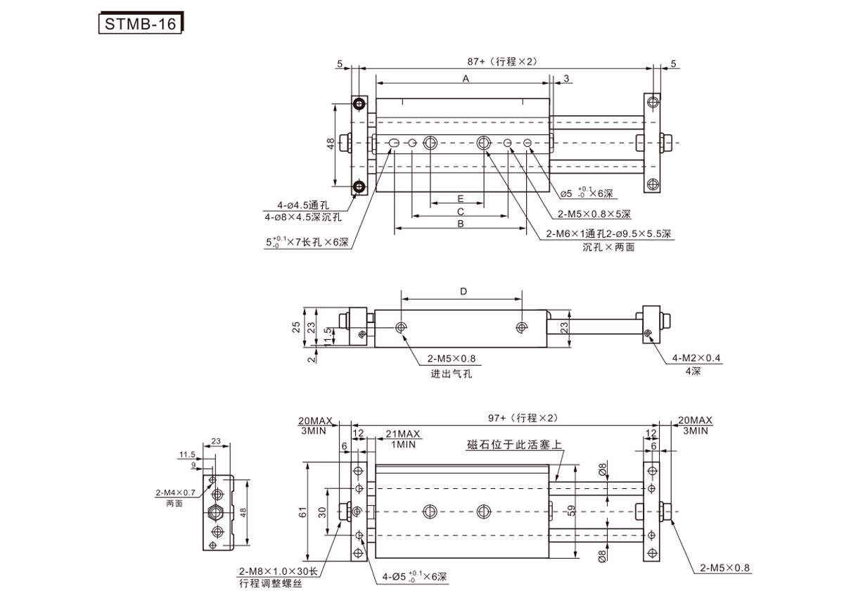
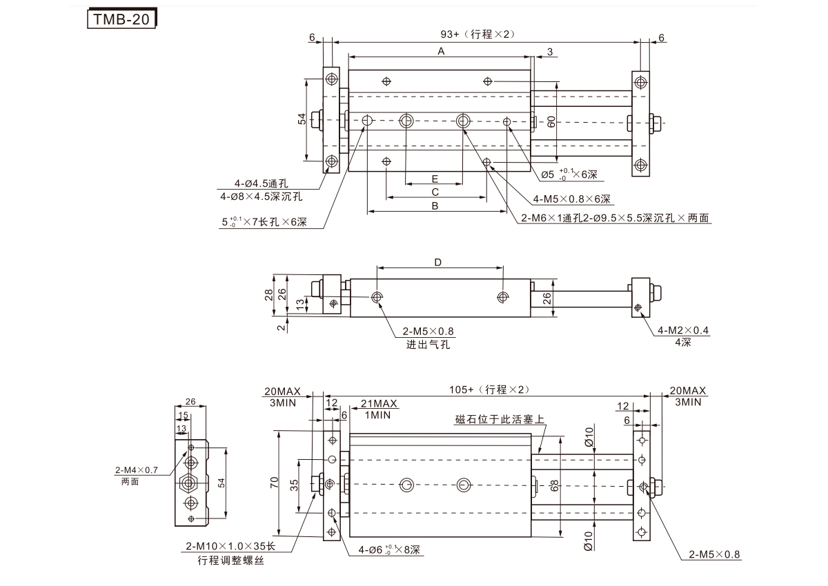
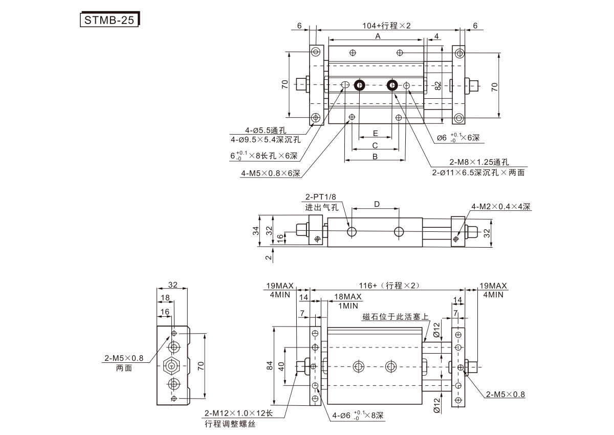
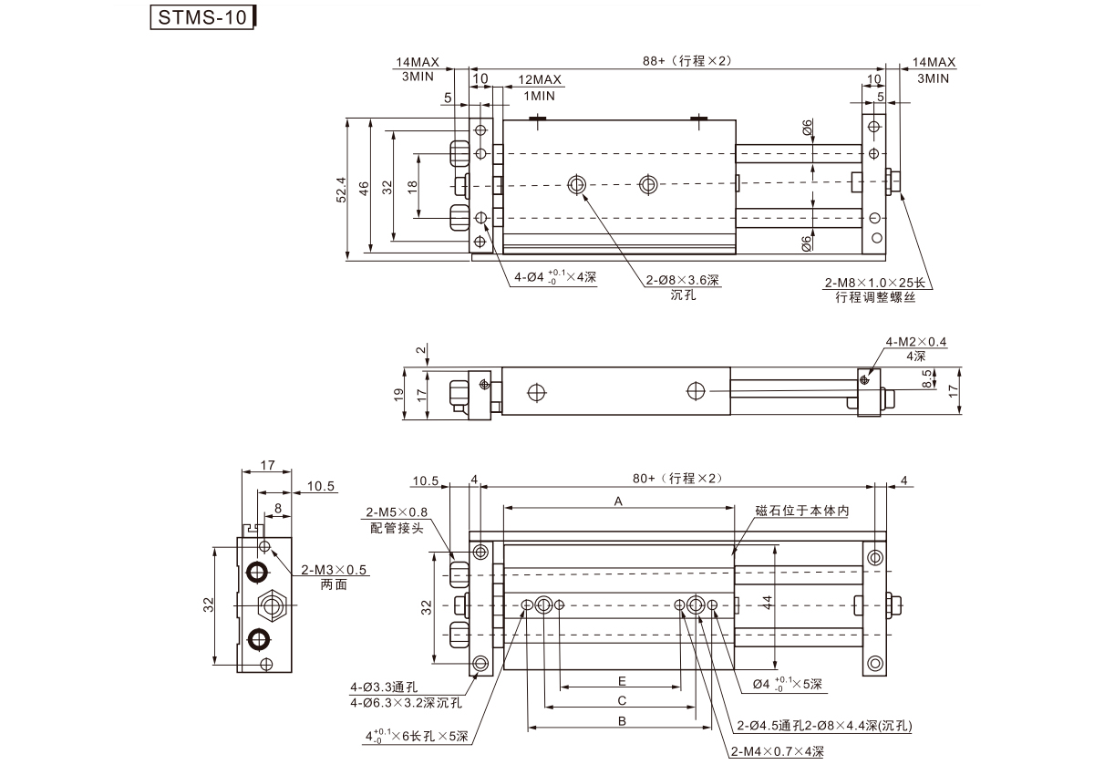
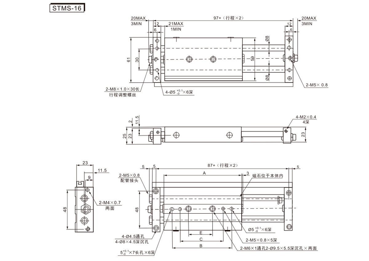
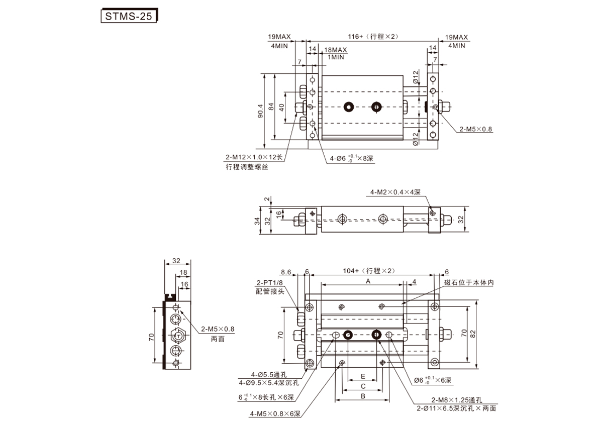
精密滑台气缸
STM系列滑缸(Ø10~Ø25)
1. 两种安装固定形式:本体安装或滑块安装;
2. 双活塞杆结构,使气缸具有较好的抗弯曲及抗扭转性能,可承受较大的运动负载或侧向负载;
3. 两端防撞垫或油压缓冲器等缓冲装置,可有效减缓撞击速度,延长气缸使用寿命;
4. 选择耐高温密封材料,可保证气缸在150℃条件下正常工作。
E-mail: manager@cktworld.com
下载











