电磁阀系列
2V025系列直动式二通电磁阀
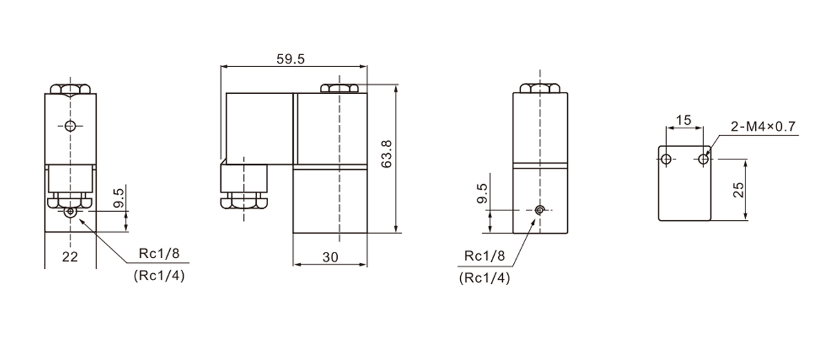
2V025系列是一款紧凑型直动式常闭二位二通电磁阀,专为快速响应和小流量流体控制场景设计。其核心特点是通过电磁力直接驱动阀芯动作,无需外部压力辅助,适用于空气、水、油等多种介质的通断控制。
关键特性
1.换向迅速且高灵敏度
采用直动式结构,电磁线圈通电后直接推动阀芯,动作响应时间短于0.05秒,确保流体通断的即时性。
常闭设计(断电状态自动关闭),适合需频繁启停或紧急切断的工况,如自动化产线的气路控制。
2.轻量化紧凑结构
阀体采用铝合金或黄铜材质(依型号定制),整体重量轻(约200克),占用空间小,适配设备内部狭窄安装环境。
模块化设计简化管路连接,标配G1/8或G1/4内螺纹接口,降低系列集成复杂度。
3.宽域介质与压力适应性
兼容空气、水、液压油等介质(黏度≤20CST),氟橡胶(VITON)密封件提供耐腐蚀性,适用温度范围-10℃至+80℃。
工作压力覆盖0.05~1.0MPa(无压差启动),耐压峰值达1.5MPa,满足低压精密控制与常规工业压力需求。
4.可靠性与维护便捷性
电磁线圈绝缘等级B级,防护等级IP65,抗震防尘,适应车间震动环境。
维护仅需定期清洁过滤组件(推荐40μm滤芯)及检查密封件老化,支持线圈快速更换。
典型应用场景
工业自动化:包装机械的气动夹具控制、流水线执行器启停。
流体设备:空压机、无油压缩机介质通断。
环境控制:水处理系列阀门、小型冷却循环回路。




