薄型气缸
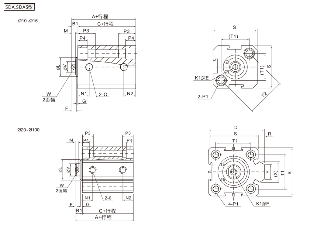
SDA系列薄型气缸
薄且轻性
在保持既有动作精度及产品使用寿命下,其全长仅为一般气缸的1/2-1/3。发挥既薄且轻的特性。
易安装性
使用埋入式的安装方式,不需要任何配件达到节省空间的要求。
易维修性
采用简易的组装方式进行设计,方便装拆及维修。
磁性开关
在本体外围预留装配槽,使磁性开关在安装固定及位置调整时,均极其简单。
E-mail: manager@cktworld.com
下载








