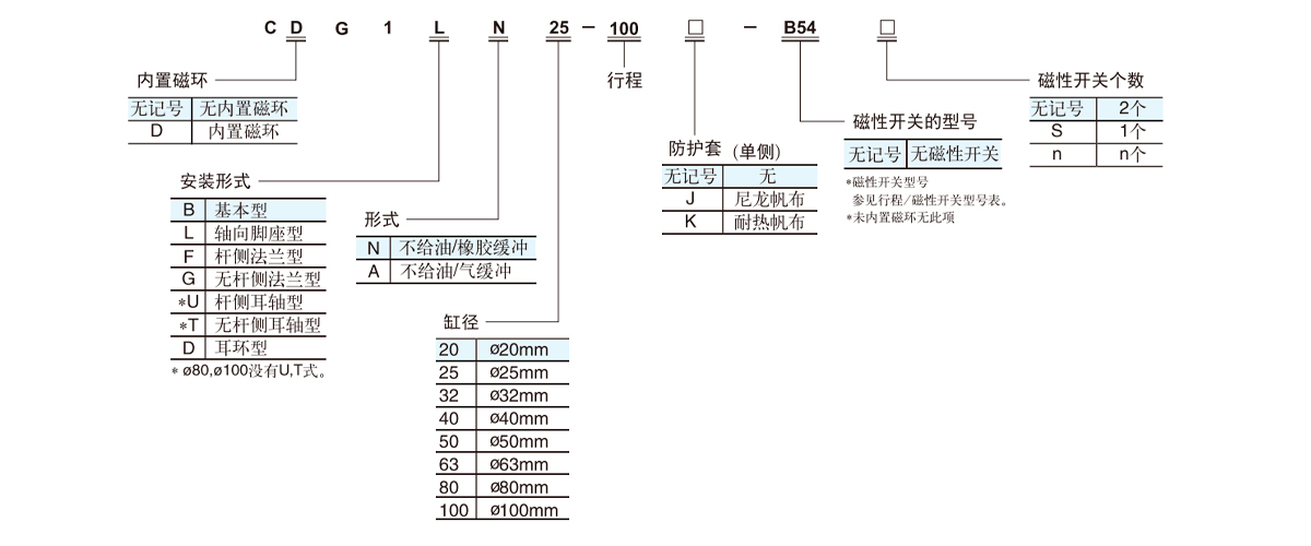
迷你气缸
CG1系列单杆双作用轻型气缸
1. 前后盖带固定式防撞垫,可减少气缸的换向冲击;
2. 缸筒与前后端盖通过精密螺纹连接,保证密封性和稳定性;
3. 前端盖装有自润滑轴承,无需额外润滑;
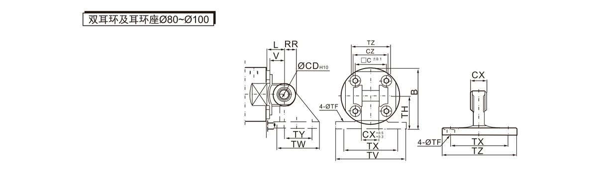
4. 多种安装形式供客户选择,方便使用;
5. 前后盖两侧有安装孔;
6. 气与橡胶缓冲类型可选;
E-mail: manager@cktworld.com
下载









