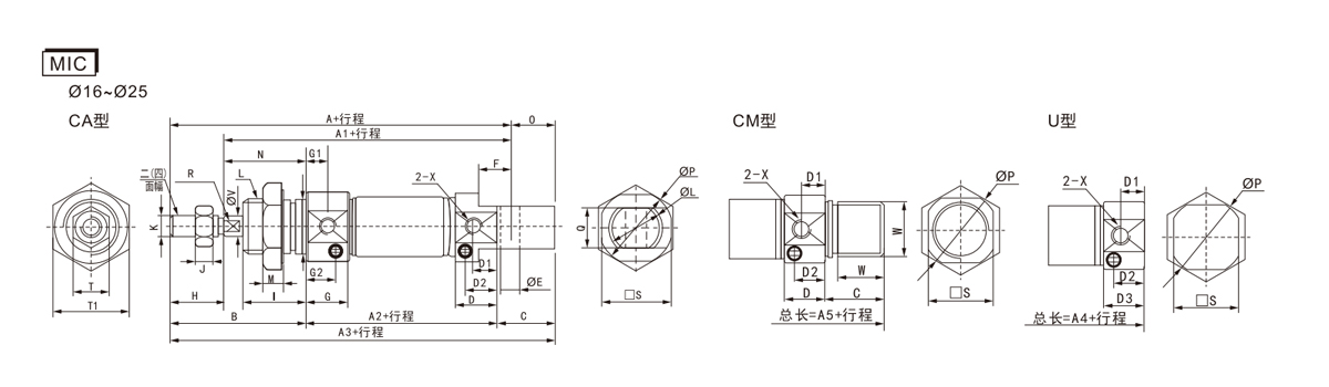
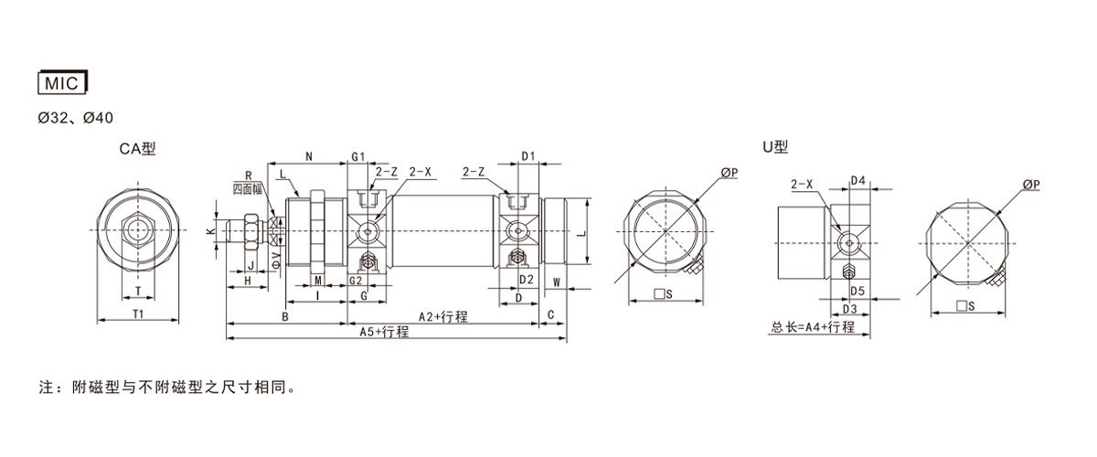
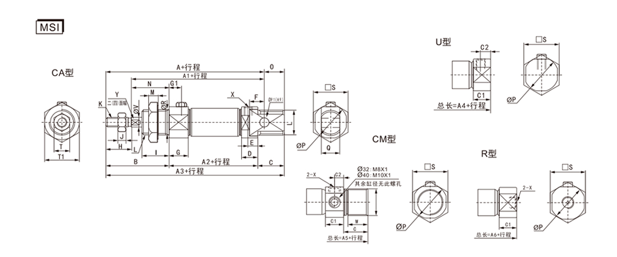
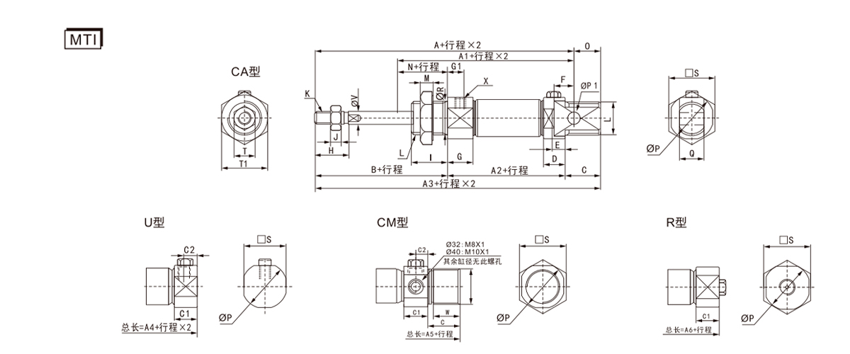
迷你气缸
MI系列不锈钢迷你气缸
1. 前后产画带固定式防撞垫,可减少气缸的换向冲击;
2. 多种后盖形式,使气缸安装更方便;
3. 前后盖与不锈钢体采用铆合滚包结构,连接可靠;
4. 不锈钢材质的缸体,使气缸能适应一般腐蚀性工作环境;
5. 多种规格的气缸及气缸安装附件可供客户选择使用
E-mail: manager@cktworld.com
下载








