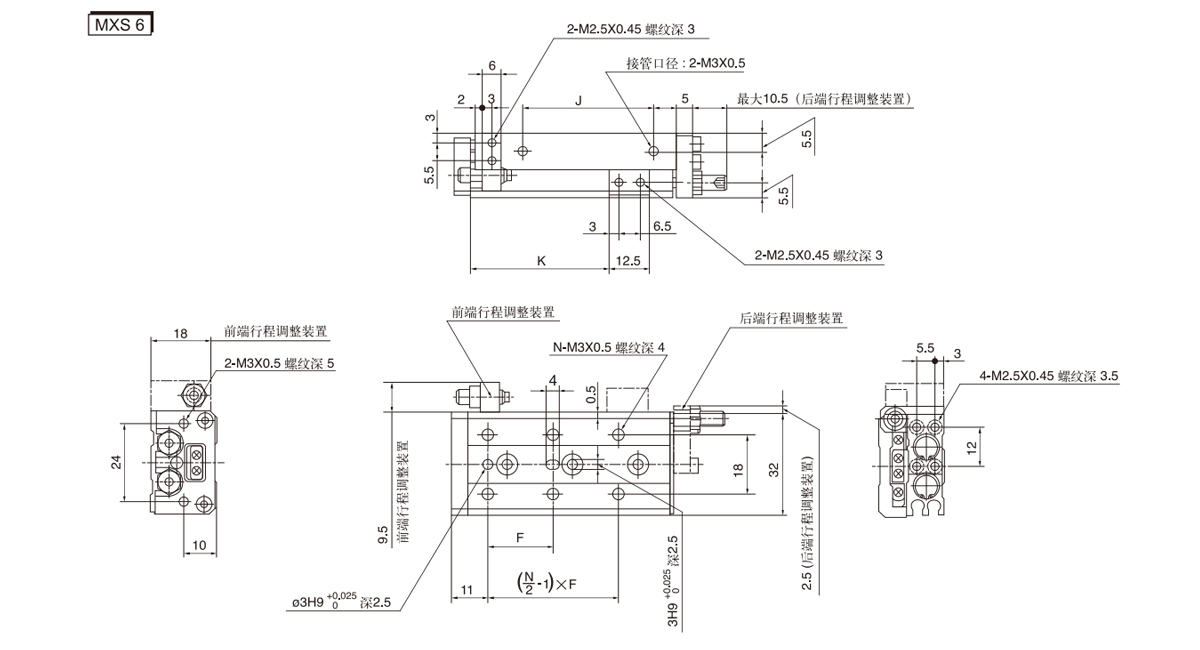
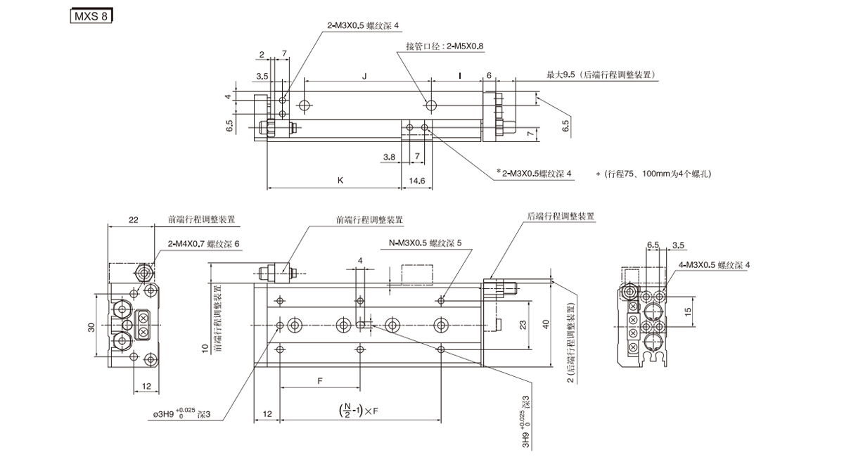
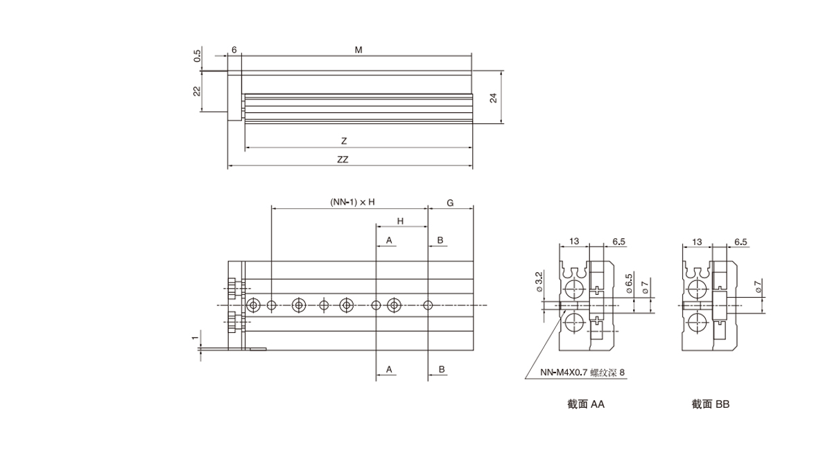
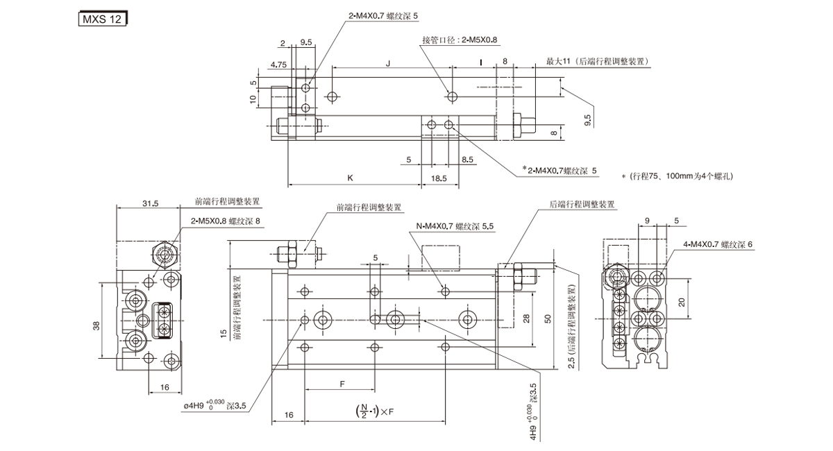
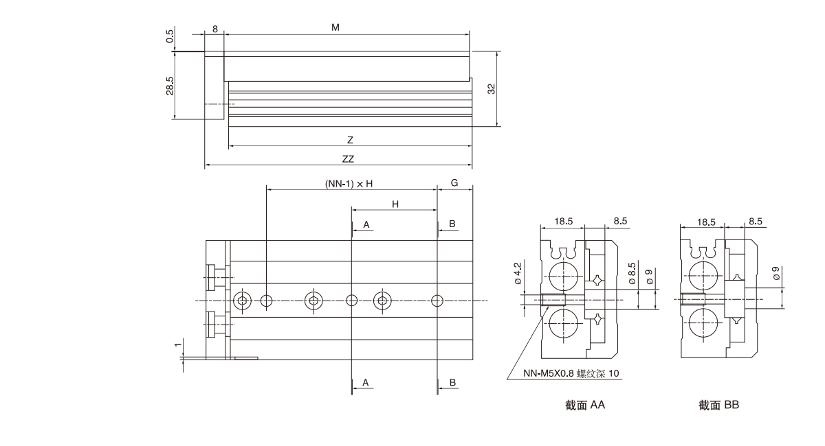
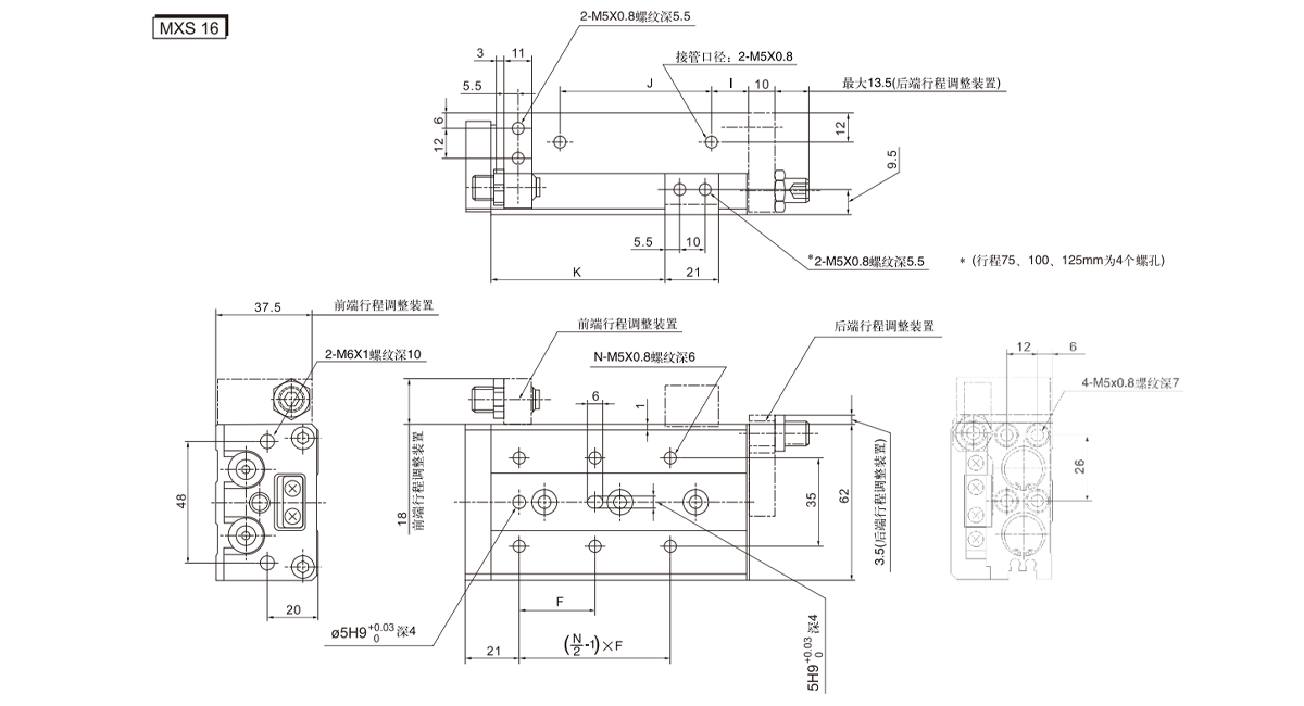
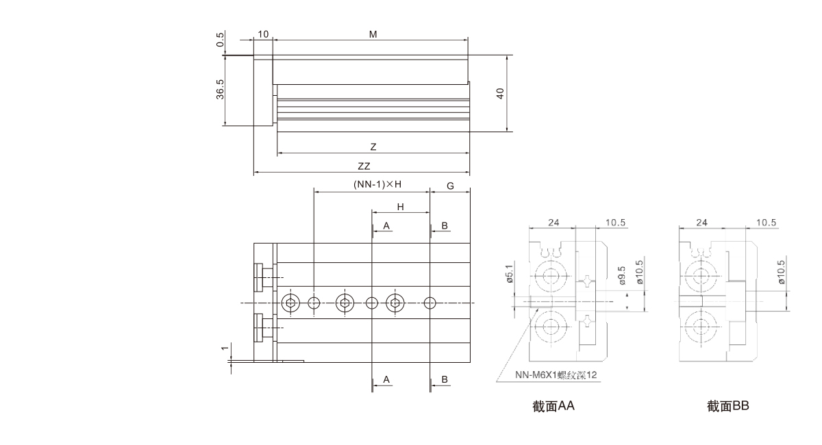
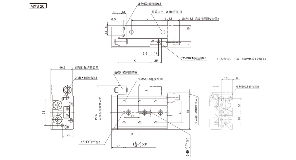
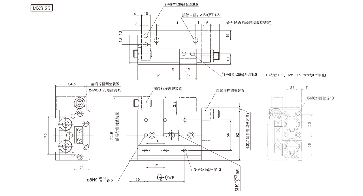
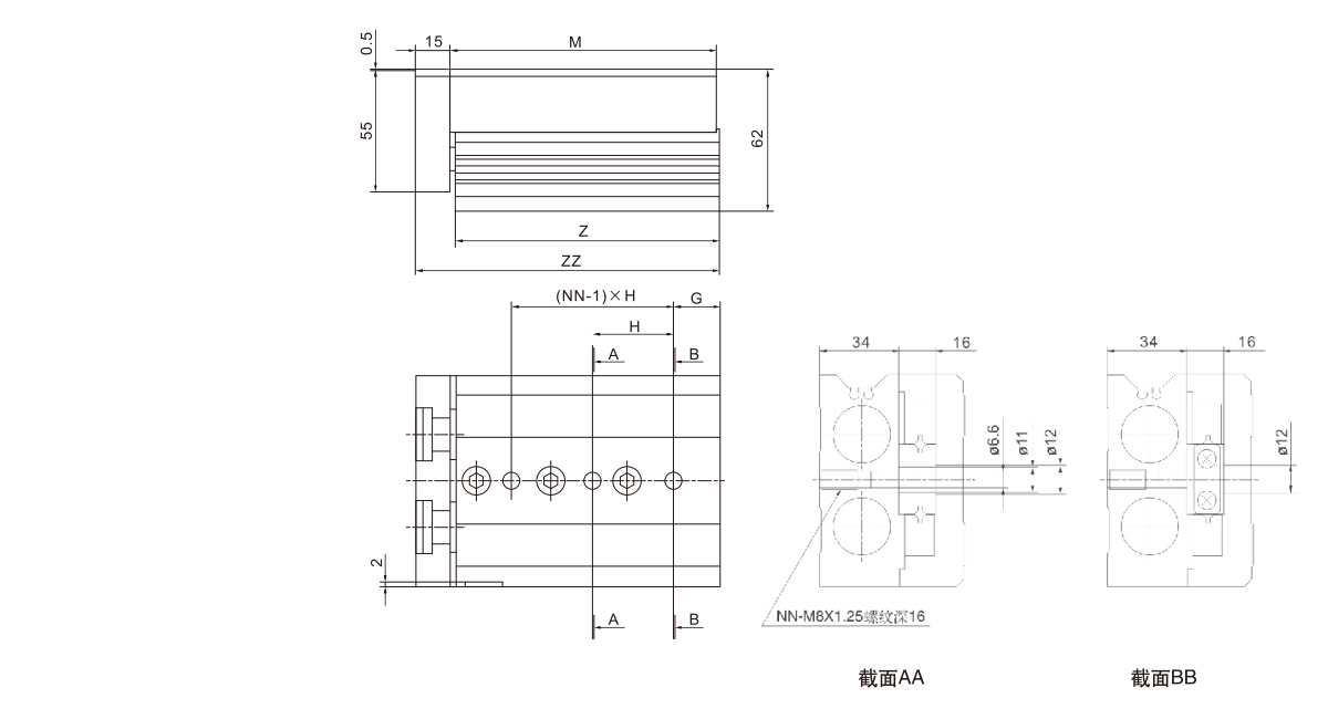
精密滑台气缸
MXS系列滑缸式(十字滚柱导轨)双缸型
1. 可选择带可调行程装置(0-5mm);
2. 双气缸设计,2倍输出力,体积薄;
3. 气缸及工作台相结合,使整体尺寸减小;
4. 采用十字滚柱导轨设计,摩擦力小,气缸与工作台之间没有空隙存在,适合精密组装;
5. 可从三面安装;
6. 内置磁环型,可安装磁性开关。
E-mail: manager@cktworld.com
下载

















