标准气缸
CA2系列标准气缸
1. 质量比CAL系列减轻5~15%;
2. 缓冲能力提高,不会出现活塞杆急速伸出现象;
3. 缓冲阀更易调整,且缓冲阀未露出缸盖面;
4. 能吸收的动能比CAL系列最多可提高30%,缓冲密封圈寿命可延长约5倍;
5. 活塞杆的下弯量比CAL系列约减小5~10%;
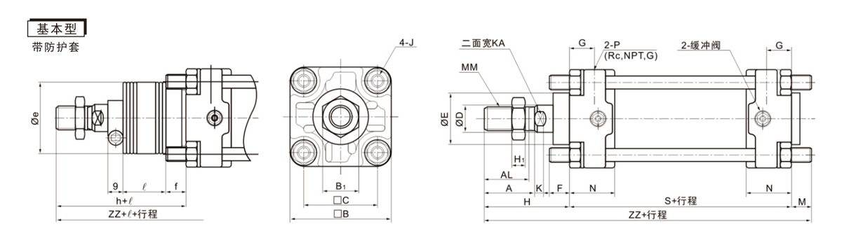
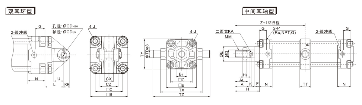
6. 安装尺寸与CAL系列相同;
7. 接管螺纹除Rc外,还有NPT螺纹及G螺纹。
E-mail: manager@cktworld.com
下载














