标准气缸
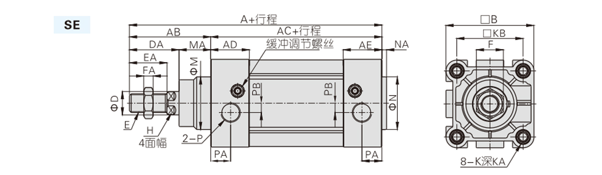
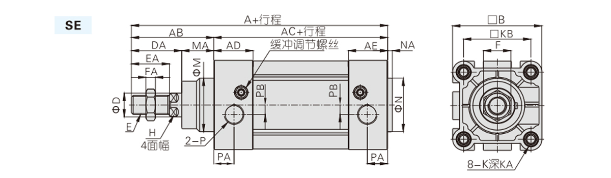
SE系列标准气缸(无拉杆式)
1. 活塞密封采用异形双向密封结构,尺寸紧凑,有储油功能;
2. 方形铝管,无拉杆,防腐性能好;
3. 气缸缓冲调节平稳;
4. 多种规格的气缸及气缸安装附件可供客户选择使用。
E-mail: manager@cktworld.com
下载







