标准气缸
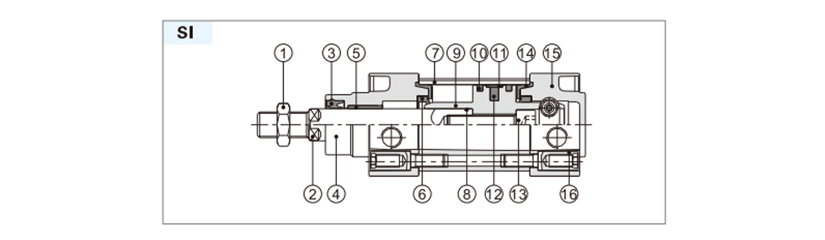
SI系列标准气缸(无拉杆式)
1. 活塞密封采用两个Y型单向密封结构,有补偿功能,寿命长,启动压力低;
2. 铝管米字型,无拉杆,防腐性能好;
3. 气缸缓冲调节平稳;
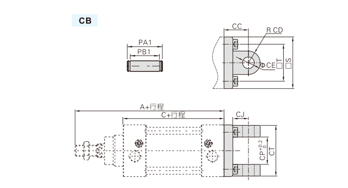
4. 多种规格的气缸及气缸安装附件可供客户选择使用
E-mail: manager@cktworld.com
下载












