薄型气缸
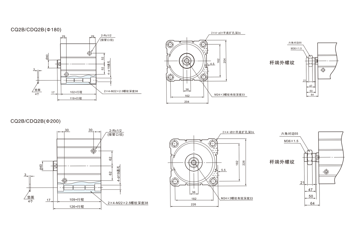
CQ2系列薄型气缸(大缸径)
CQ2系列薄型气缸以大缸径规格见长,是工业自动化领域空间敏感场合下驱动元件的典型解决方案。其核心设计理念在于在保证必要输出力的前提下,最大程度缩减轴向安装尺寸,为设备布局提供更高的灵活性。
•标准遵循:其设计与制造遵循通行的工业基础规范要求。
•结构连接:气缸本体与端盖之间采用特有的环形锁紧方式,形成稳固且轴向尺寸极小的可靠连接。
•内壁特性:气缸筒内壁经过特殊的表面强化工艺处理,赋予其优异的耐磨特性,确保长期运行的耐久性能。
•空间优势:显著优化的轴向长度是其突出特点,能有效降低对设备安装空间的占用需求。
•感知集成:缸筒外周设计有标准化的沟槽结构,便于行程位置检测传感器的快速安装与定位。
E-mail: manager@cktworld.com
下载








